Franke MRG 651-78 кухонная мойка
Доставка По России по тарифам транспортных компаний
- Цены
- Описание
- Отзывы
- Дополнительное описание
- Производитель
- 
									Отличительная особенностью кухонных моек является высококачественные композитные материалы. Современный дизайн моек, сделает вашу кухню уютным, стильным и неповторимым местом. Эта модель будет идеальным выбором для кухни. Крыло может использоваться для сушки посуды, вымытых овощей и фруктов. Чаша дает достаточно пространства для мытья посуды больших размеров.Технические характеристики Franke MRG 651-78Модель (артикул): MRG 651-78 + Модель (артикул-цвет)
 Установка: врезная.
 Материал: fragranit
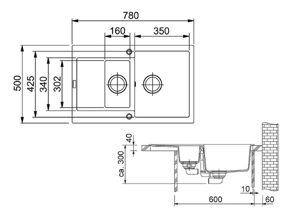
 Размер мойки: 78,0 х 50,0 см
 Размер чаши: 35,0 х 42,5 см - основная, 16,0 х 30,0 см - дополнительная
 Глубина чаши: 20,0 см
 Перелив для воды: в чаше
 Размер выпуска: 3 1/2" вентиль-автомат
 Кухонная мойка Franke MRG 651-78ХарактеристикиВид из искусственного камня УслугиДокументыСхема встраивания Franke MRG 651-78 Размер: 89,2 кб
- 
				Первоклассный дизайн, внимание к деталям и высококачественные материалы - неотъемлемая часть кухонной мойки Franke ACG 610N. Откройте для себя впечатляющие возможности.
 
 Накладная мойка Franke MRG 651-78 устанавливается в кухонную столешницу сверху в вырез соответствующего размера, и закрепляются приложенными зажимами. Это самый простой и быстрый способ монтажа.
 
 Кухонная мойка из Franke Fragranite
 Fragranite DuraKleen Plus оптимальный композиционный материал, состоящий из 80 процентов кварца основная составляющая природного гранита и 20 процентов акриловой смолы.
 • Мойка Franke MRG 651-78 устойчива к воздействию пищевых кислот, вина и моющих средств.
 • Жаростойкий материал выдерживает температуру до 2800 градусов.
 • Устойчива к царапинам, акрил придает поверхности эластичность и невосприимчивость к царапинам.
 • Это существенно отличает Фрагранит от эмалированных и керамических моек.
 • Кухонная раковина легкая в уходе имеет характер натурального камня и при этом оптимальна в обращении.
 
 Великолепное разнообразие цветов. Наполните вашу кухню красивым цветом и элегантными формами гранита. Вы обязательно найдете свою идеальную гранитную мойку от Franke.
 
 Оникс - цветовое решение Fragranite® цвета оникс
 Графит - цветовое решение Fragranite® цвета графит
 Шоколад - цветовое решение Fragranite® кофейно-шоколадного цвета
 Миндаль - цветовое решение Fragranite® светло-бежевого цвета с серым оттенком
 Бежевый - цветовое решение Fragranite® цвета бежевый
 Сахара - цветовое решение Fragranite® бледно-палевого цвета
 Серый - цветовое решение Fragranite® цвета серый
 Ваниль - цветовое решение Fragranite® цвета ванили
 Белый - цветовое решение Fragranite® белого цвета
 
 Мойка Franke MRG 651-78 сертифицирована согласно европейского стандарта EN 13310: 2003-04 для кухонных моек - этот стандарт определяет требования к эксплуатационным характеристикам моек и качеству материала - согласно европейским нормам безопасности при контакте с продуктами питания EC10/2011
- 
				Уже более ста лет Franke предлагает своим клиентам инновационные разработки. Не только отличные продукты, но и индивидуальные решения для сложных потребностей клиентов. В производстве бытовой техники Franke основной акцент делает на встраиваемые модели. Мойки, смесители и сантехническое оборудование представлены в широком ассортименте для любых условий. 
 
 Компания постоянно расширяет свой ассортимент, неустанно работает над усовершенствованием модельного ряда, применяет инновационные технологии и удивляет своих клиентов нестандартными дизайнерскими решениями. Большой гордостью компании стало оснащение техникой всем известной сети МакДональдс. Официальная компания Franke это швейцарский многонациональный концерн, который является лидером в проектировании и дизайне кухонных систем для жилых помещений и крупнейшим мировым производителем моек из нержавеющей стали.
 Franke знает, как должна выглядеть превосходная кухня, поэтому предлагает все необходимые элементы для выполнения домашней работы:- кухонные мойки из стали и материала Fragranite,
- надежные кухонные смесители,
- вытяжки для кухни,
- электрические и газовые духовые шкафы для домашнего использования,
- газовые и электрические варочные поверхности различных конструкций и размеров,
- системы MAKE IT WONDERFUL,
- индукционные варочные панели Franke
 
 
 Сервис, ремонт и гарантия вся продукция, поставляемая на российский рынок, имеет необходимые сертификаты и другие документы, подтверждающие её качество и безопасность в соответствии законодательством Российской Федерации. Все условия гарантии регулируются действующим законодательством Российской Федерации.
 
 В соответствии с законом о защите прав потребителей компания устанавливает следующие гарантийные сроки на продукцию:- кухонные мойки из нержавеющей стали (на коррозионную устойчивость материала) пятнадцать лет,
- кухонные мойки из материала FRAGRANITE, FRACERAM три года,
- смесители на качество материала пять лет,
- смесители на качество комплектующих один год,
- кухонная бытовая техника два года
 










 
								 
								 
								 
									 
									








 
					 
		
				 
							 
							 
							 
							 
							 
							 
							